Prius Door Lock Stuck

Cannot open passenger door after changing actuator motor.
Prius door lock stuck. Do it yourself repair shows door panel removal and then removing lock actuator. When returning to car remote will unlock all doors except driver s door. View 2 replies lexus gx 2004 09. This disintegration has nothing to do with being in a warm climate it s just chemistry gone wrong.
I have a 2010 prius and noticed that lately i sometimes have to press either lock or unlock several times before the little black and red switch moves to either lock or unlock. Hi there my 2012 prius v has the open door light on even when the doors and hatch back are all closed. Amazon links buy motor here. Rear hatch lock stuck and some time can not open.
I ve checked all over for debris but i haven t found anything. I can t use my keys to lock the c read more. When a door ceases to lock and unlock at the press of a button it often means that the door s lock actuator has given up the ghost. Rear hatch lock stuck and some time can not open.
Prius gen 3. 2010 passenger door lock stuck. I e sometimes the remote will lock unlock all doors and sometimes all doors except the driver s door. This happens about half the time.
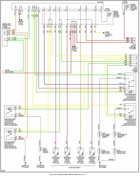
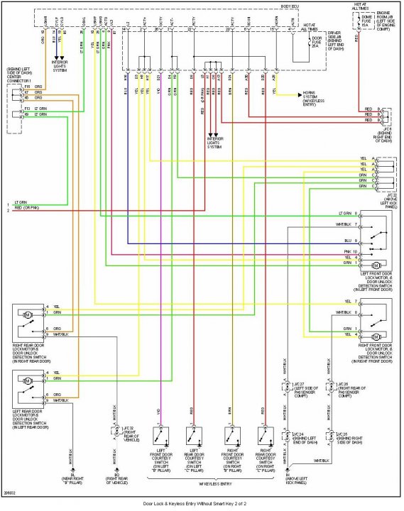
The 2007 toyota prius has a manufacturing flaw the rubbery covering on the hatch release button has a tendency to de polymerize creating a big gooey mess that prevents the latch button from operating. If you need to change the electric. The driver s door lock will only move part way. The lock actuator consists of a small electric motor that drives.
Driver side door lock stopped working. Yes the lock mechanism has either gone bad and needs replaced or is disconnected from the system whether it be accidentally disconnected while repairs being done or wire fell loose pull the door panel and check it if connected and has power when checked with a test light it should work if has power and no action replace it. Toyota door lock repair. Http geni us justvlads fixing door not locking problem.